Published:2009/6/16 22:06:00 Author:May | From:SeekIC

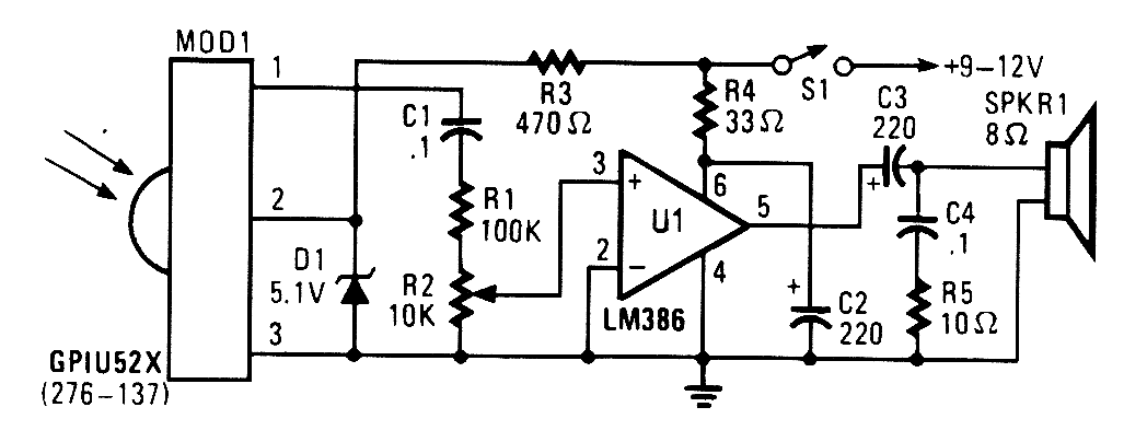
If your ear is good, you can use this IR-pulse-to-audio converter to troubleshoot infrared remote-controts. It is also a good project for detecting infrared-light sources. A photo cell module (Radio Shack P/N 276-137) detects IR radiation and drives audio IC U1. This circuit is useful for trou-bleshooting IR remote controls.
Reprinted Url Of This Article:
http://www.seekic.com/circuit_diagram/A-D_D-A_Converter_Circuit/IR_PULSE_TO_AUDIO_CONVERTER.html
Print this Page | Comments | Reading(3)
Code: