Published:2012/7/3 22:29:00 Author:Ecco | Keyword: Isolated converter | From:SeekIC


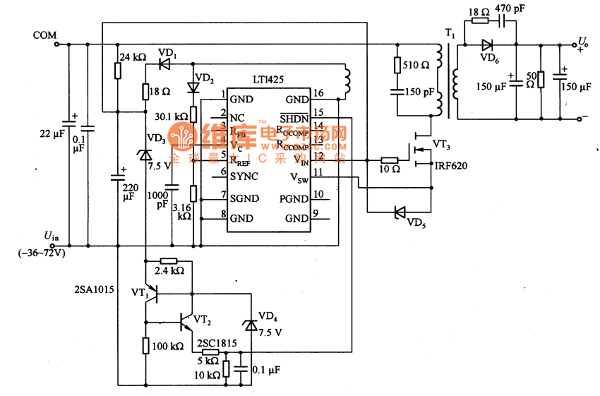
Figure a, b are the isolated converter circuit composed of LT1425. The input voltage of the circuit shown in Figure (a) is -36 ~-72V, and the output is 5V/2A. The LT1425 is an integrated circuit with current working way, and the oscillation frequency is 275kHZ. It has all the features required by the power supply circuit, and the leakage current of the on-chip switching power MOSFET is 1.5A . The circuit does not impose feedback, so the load adjustment rate is ± 5% . In order to increase the stability of the load changes and remove a part of voltage from the output to add to the feedback side, people enhancethe stability of the circuit.
Figure (b) is a dual-output converter circuit using LT1425. The circuit has no a negative feedback circuit, its output is added a three-terminal integrated regulator 7815 to increase stability. When the input voltage is 5V, the conversion efficiency is 72% ; when the input voltage is 15V, the conversion efficiency is 80% , and its isolation performance depends on the structure of the winding of transformer T1.
Reprinted Url Of This Article:
http://www.seekic.com/circuit_diagram/A-D_D-A_Converter_Circuit/Isolated_converter_circuit_diagram_composed_of_LT1425.html
Print this Page | Comments | Reading(3)
Code: