Published:2009/7/7 5:20:00 Author:May | From:SeekIC


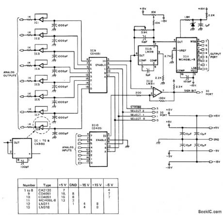
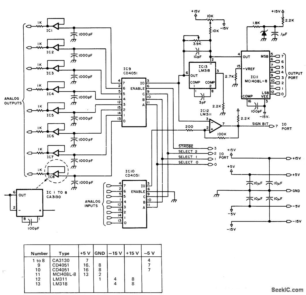
Time-multiplexed interface minimizes hardware required for applications of personal computer system. Useful in interactive games, equipment testing, and electronic music. Optimized for 0.1-100 Hz signals, Bypass each power pin with 0.01μF to suppress stray spikes caused by power surges. Use of LM318 opamp minimizes response time of MC1408L-8 DAC.-D. R. Kraul, Designing Multichannel Analog Interfaces, BYTE, June 1977, p 18-23.
Reprinted Url Of This Article:
http://www.seekic.com/circuit_diagram/A-D_D-A_Converter_Circuit/MULTIPLEXED_A_D_D_A_CONVERTER_INTER_FACE.html
Print this Page | Comments | Reading(3)
Code: