Published:2009/7/1 1:58:00 Author:May | From:SeekIC

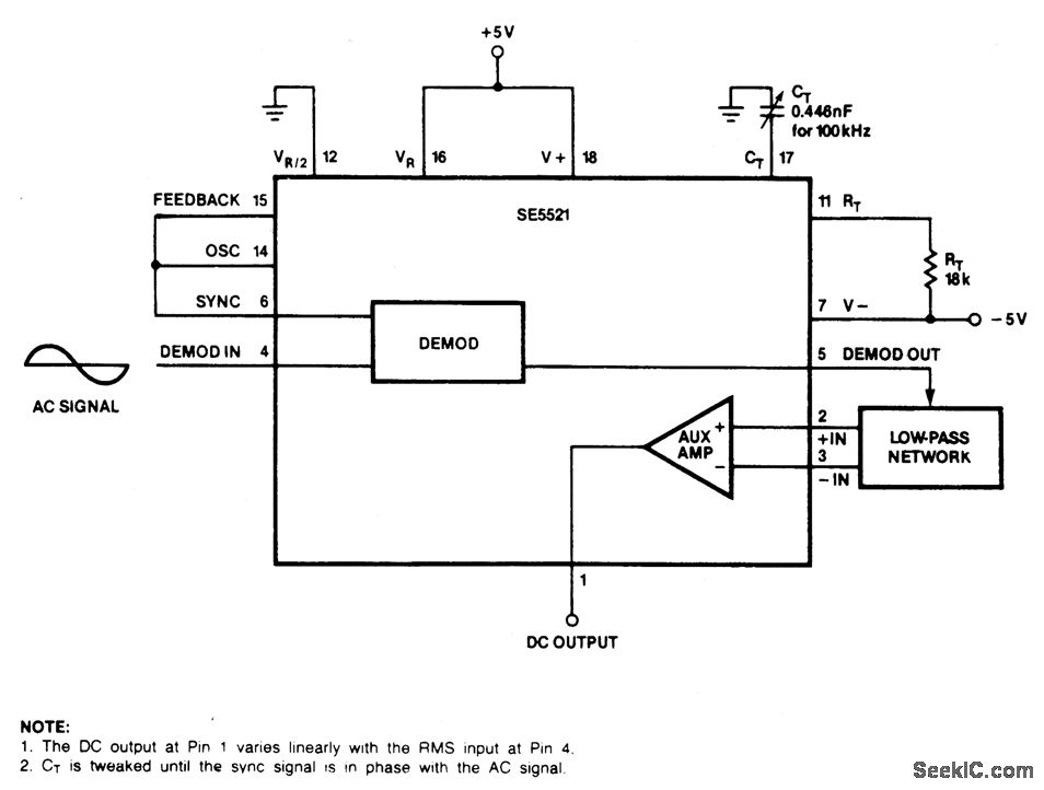
An ac voltmeter may be easily constructed. Simplicity of the circuit and low component count make it particularly attractive. The demodulator output is a full-wave rectified signal from the ac input at Pin 4. The dc component on the rectified signal at Pin 5 varies linearity with the rms input at Pin 4 and thus provides an accurate rms-to-dc conversion at the output of the filter (Pin 1). CT is a variable capacitor that is tweaked until the oscillator signal to the sync input of the demodulator is in phase with the ac signal at Pin 4.
Reprinted Url Of This Article:
http://www.seekic.com/circuit_diagram/A-D_D-A_Converter_Circuit/RMS_TO_DC_CONVERTER.html
Print this Page | Comments | Reading(3)
Code: