Published:2009/7/14 22:45:00 Author:Jessie | From:SeekIC

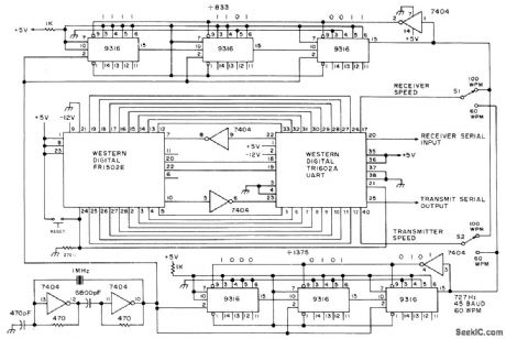
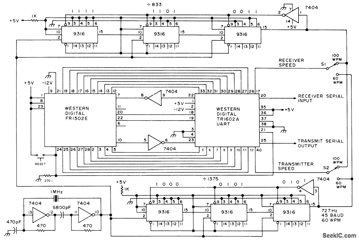
Digital speed converter for amateur RTTY permits transmitting either above or below input speed from key-board or tape Uses FR1502E 40-character 9-bitFIFO storage chip, TR1602A universal asynchronous receiver-transmitter, and six Fairchild 9316 programmable dividers. Values shown give choice of 60 or 100 WPM for receiving and for transmitting, derived by dividing down from same 1-MHz clock. Input and output are TTL-compatible.-A. Sperduti, The 60 WPM Conversion, 73 Magazine, April 1977, p 158-159.
Reprinted Url Of This Article:
http://www.seekic.com/circuit_diagram/A-D_D-A_Converter_Circuit/RTTY_SPEED_CONVERTER.html
Print this Page | Comments | Reading(3)
Code: