Published:2011/7/12 7:01:00 Author:Christina | Keyword: infrared, remote control, code, conversion | From:SeekIC

The SAA3028 is designed as one kind of general infrared remote control code conversion circuit, the main function of it is to change the RC5/RC5 duplex encoded signal into the equivalent binary code.
Features
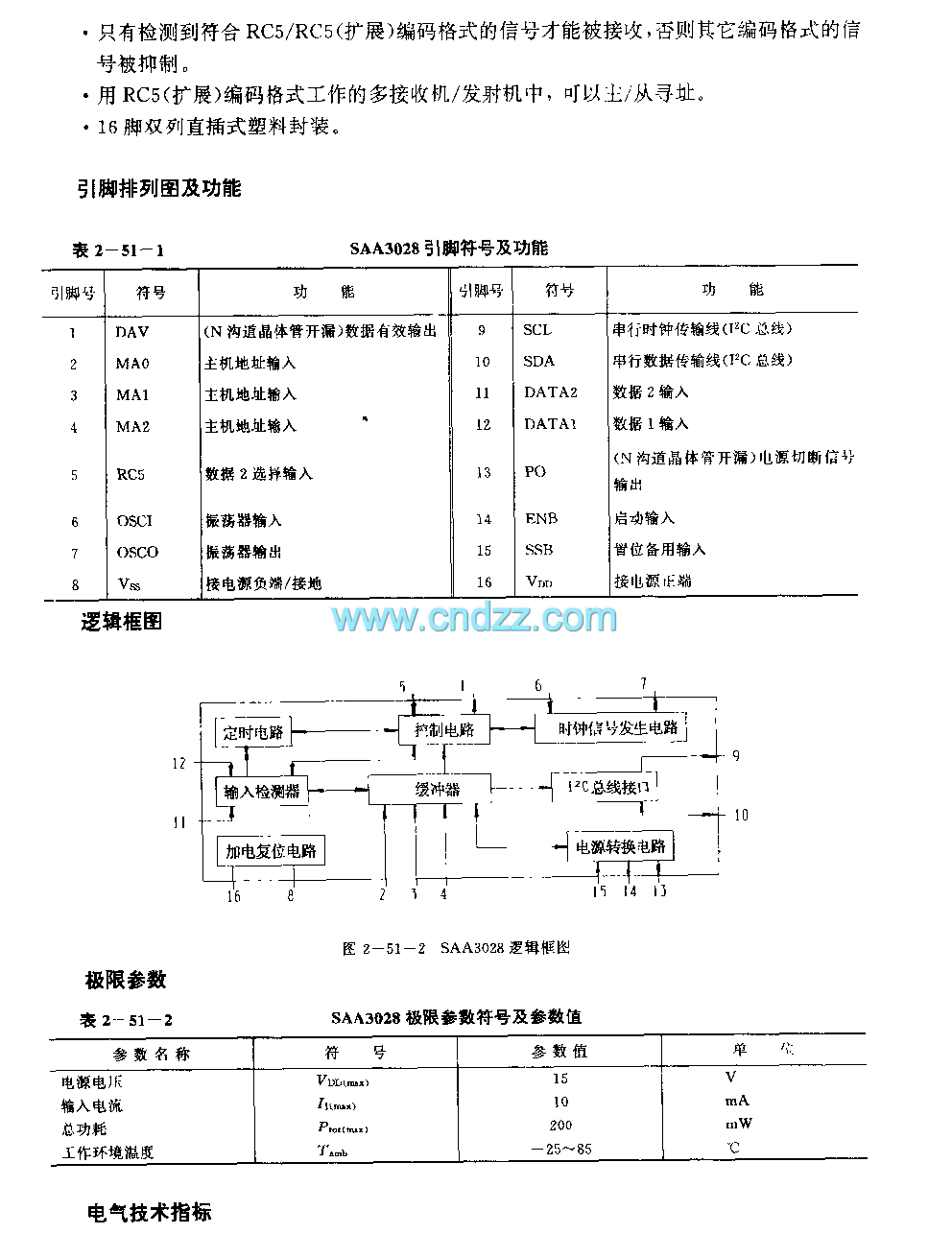
The power conversion is convenient; Use the power up reset to start it;The data outputs and inputs by the serial transmission mode, the output port is compatible with the I2C bus;It has two data input ports. One of them can only input the RC5 coded signal, another one can only receive the RC5 coded signal or the RC5 number signal;It only receives the signal which meets the RC5/RC5 encoding format;It is in the 16-pin dual-row DIP plastic package.
Reprinted Url Of This Article:
http://www.seekic.com/circuit_diagram/A-D_D-A_Converter_Circuit/SAA3028_infrared_remote_control_code_conversion_circuit.html
Print this Page | Comments | Reading(3)
Code: