Published:2009/6/17 4:14:00 Author:May | From:SeekIC

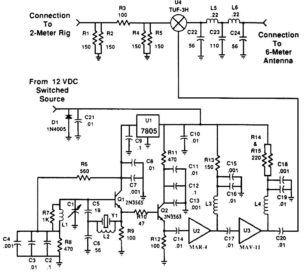
Using the bilateral properties of a balanced mixer this transverter will produce 6-m output with 2-m inputs. Y1 is a 90-MHz crystal. Note that the input on 2 m is 143 to 144 MHz for 53 to 54-MHz output. This avoids possibility of extraneous 2-m reception during receive periods. If your radio will not transmit below 144 MHz, then use a 93- or 94-MHz crystal frequency.
Reprinted Url Of This Article:
http://www.seekic.com/circuit_diagram/A-D_D-A_Converter_Circuit/SIMPLE_2_m-6_m_TRANSVERTER.html
Print this Page | Comments | Reading(3)
Code: