Published:2009/6/17 3:54:00 Author:May | From:SeekIC

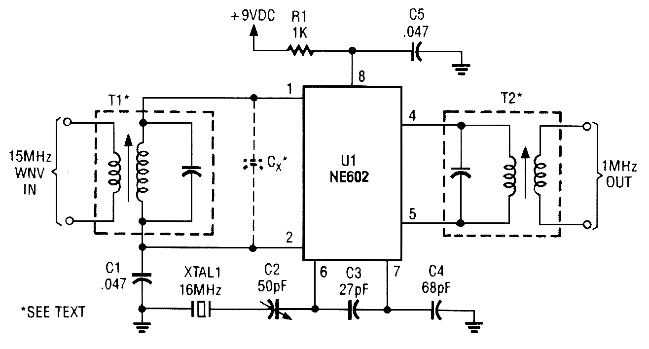
This simple frequency converter mixes the 15-MHz WWV/WVH signal with a 16-MHz signal from the LO to convert it down to 1 MHz so that it can be heard on AM-band receiver.
Reprinted Url Of This Article:
http://www.seekic.com/circuit_diagram/A-D_D-A_Converter_Circuit/SIMPLE_WWV_CONVERTER_FOR_AUTO_RADIOS.html
Print this Page | Comments | Reading(3)
Code: