Published:2009/6/17 4:15:00 Author:May | From:SeekIC

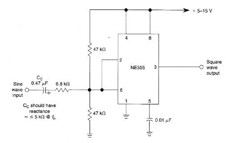
This 555-based Schmitt trigger circuit is useful for creating clock pulses from analog signals since it readily converts sine waves into square waves.
Reprinted Url Of This Article:
http://www.seekic.com/circuit_diagram/A-D_D-A_Converter_Circuit/SINE_TO_SQUARE_WAVE_CONVERTER.html
Print this Page | Comments | Reading(3)
Code: