Published:2013/12/12 20:18:00 Author:lynne | Keyword: Single tube forward converter circuit diagram, | From:SeekIC

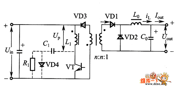
Single tube forward converter circuit diagram shown in Fig.:
Reprinted Url Of This Article:
http://www.seekic.com/circuit_diagram/A-D_D-A_Converter_Circuit/Single_tube_forward_converter_circuit_diagram.html
Print this Page | Comments | Reading(3)
Code: