Published:2009/6/30 1:33:00 Author:May | From:SeekIC

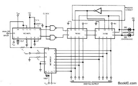
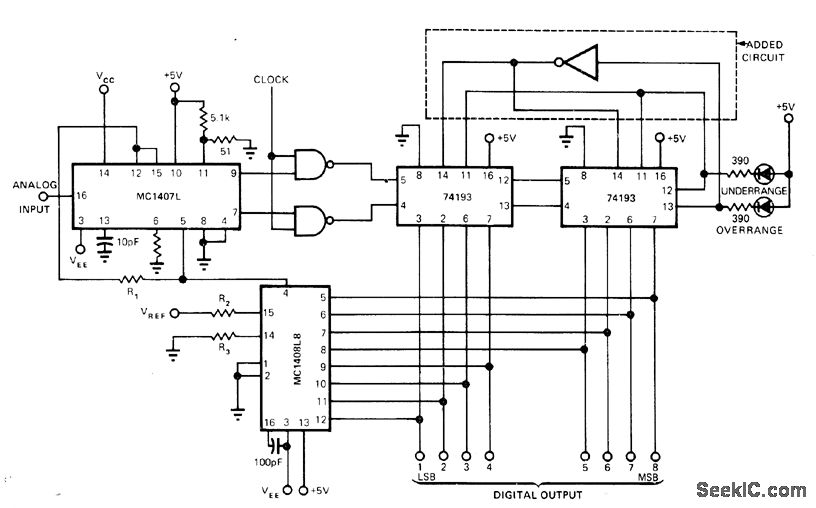
Addition of one gate to tracking or servorype A/D converter, as shown in dashed box, overcomes instability problems otherwise occurring when input voltages are less than zero or greater than full scale. With 8-bit converter shown, count of 11111111 when counting up makes carry output and load inputs go low, holding counter in this state so subsequent up clocks are ignored. When count is all 0s, borrow output goes low and clear input goes high, so counter isfree to countup only.—A. Helfrick, Tracking A/D Converters Need Another Look, EDN Magazine, June 20, 1975, p 118 and 120.
Reprinted Url Of This Article:
http://www.seekic.com/circuit_diagram/A-D_D-A_Converter_Circuit/TRACKING_A_D_CONVERTER.html
Print this Page | Comments | Reading(3)
Code: