Published:2009/7/24 9:37:00 Author:Jessie | From:SeekIC

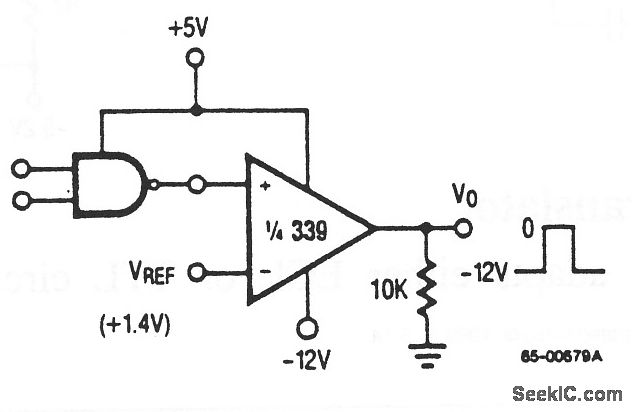
This circuit uses a 339 comparator to convert from TTL to MOS logic. Raytheon Linear Integrated Circuits, 1989, p. 5-31.
Reprinted Url Of This Article:
http://www.seekic.com/circuit_diagram/A-D_D-A_Converter_Circuit/TTL_TO_MOS_LOGIC_CONVERTER.html
Print this Page | Comments | Reading(3)
Code: