Published:2011/7/3 20:25:00 Author:Christina | Keyword: Thyristor, ladder wave, inverter circuit | From:SeekIC

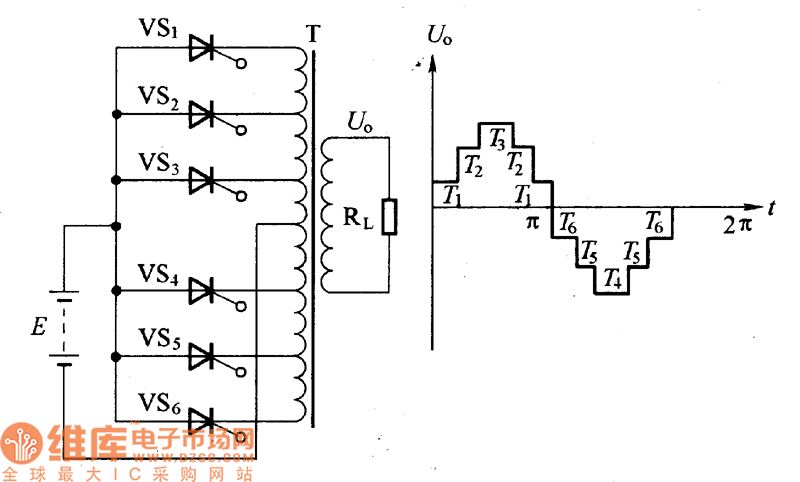
The circuit is as shown, the six taps of the transformer T is connected with the unidirectional thyristors VS1~VS6 to form the thyristor inverter main circuit.
By the function of the trigger control circuit, the action program of the circuit is as shown: the circuit makes the thyristor VS1 to conduct for 30°, then it makes the VS2 to conduct for 30°, then makes the VS3 to conduct for 60°, during this time the thyristors cuts off by the induced voltage which is produced by the transformer winding. After the VS3 cuts off, the circuit will cut off the VS2 to finish the output of the half cycle ladder wave.
Thyristor ladder wave inverter circuit
Reprinted Url Of This Article:
http://www.seekic.com/circuit_diagram/A-D_D-A_Converter_Circuit/Thyristor_ladder_wave_inverter_circuit.html
Print this Page | Comments | Reading(3)
Code: