Published:2009/7/16 3:25:00 Author:Jessie | From:SeekIC

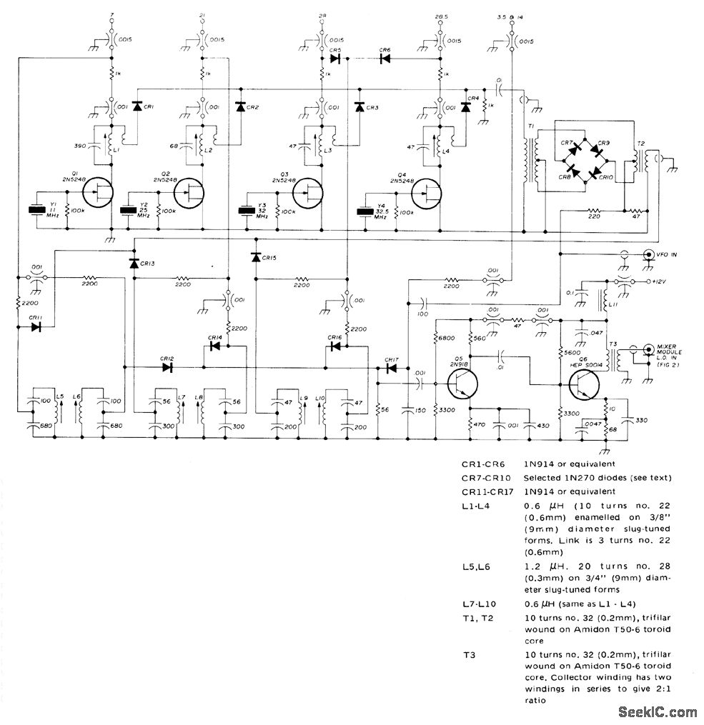
Used in solid-state five-band communication receiver. VFO input (5-5.5 MHz) goes directly to amplifiers Q5 and Q6 when bandswitch is on 3.5 or 14 MHz. When VFO signal is applied to balanced mixer CR7-CR10, product is at 9 MHz. Diodes should be carefully selected for equal voltage drops t20 mV at various current values such as 0.75, 2, 10, and 20 mA. When bandswitch is on 7, 21, or 28 MHz, VFO signal is mixed with output of FET crystal oscillator and filtered before being applied to Q5 and Q6. FET oscillators a1-a4 are energized by +12 V from bandswitch, with diodes CR1-CR4 selecting output. Crystals are parallel-resonant with 32-pF Load. Y2, Y3, and Y4 are third-overtone type.-P. Moroni, Solid-State Communications Receiver, Ham Radio, Oct. 1975, p 32-41.
Reprinted Url Of This Article:
http://www.seekic.com/circuit_diagram/A-D_D-A_Converter_Circuit/VFO_CONVERTER.html
Print this Page | Comments | Reading(3)
Code: