Published:2009/6/30 1:59:00 Author:May | From:SeekIC

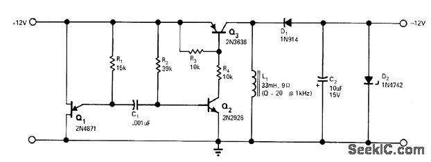
Transformerless inverting DC-to-DC converter has above 55% effciency and can withstand output shorts lasting up to several minutes. UJT Q1 and base-emitter diode of transistor Q2 from free-running MVBR whose 25-kHz output is amplified by Q2 to drive switching-mode converter Q3-L1-D1-C2. Zener D2 regulates output for variations in input voltage or output loads up to 40 mA.—G. Bank, Transformerless Converter Supplies Inverted Output, EDN|EEE Magazine, July 1, 1971, p 48.
Reprinted Url Of This Article:
http://www.seekic.com/circuit_diagram/A-D_D-A_Converter_Circuit/_12_V_TO__12_V.html
Print this Page | Comments | Reading(3)
Code: