Published:2009/7/3 3:17:00 Author:May | From:SeekIC


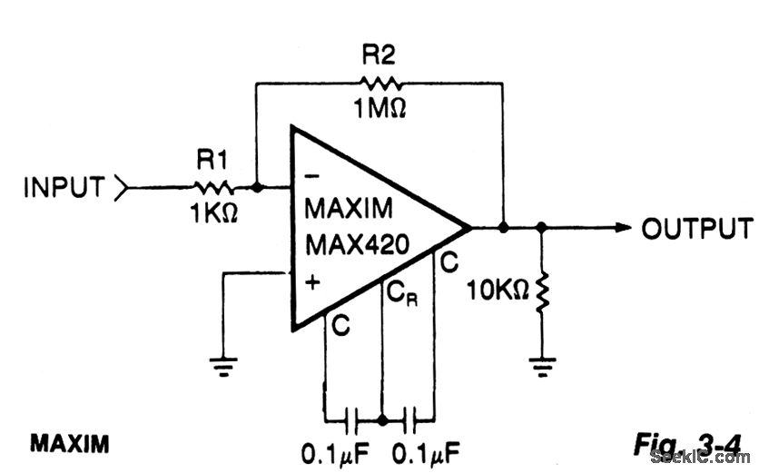
This simple circuit is a gain-of-1000 inverting amplifier. It will amplify submillivolt signals up to signal levels suitable for further processing. In almost all system applications, it is best to use as much gain as possible in the MAX420, thus minimizing the effects of later-stage offsets. For exam-ple, if circuitry following the MAX420 has an offset of 5 mV, the additional offset referred back to the MAX420 input (gain = 1000) will be 5μV, doubling the system's offset error.
Reprinted Url Of This Article:
http://www.seekic.com/circuit_diagram/Amplifier_Circuit/±15_V_CHOPPER_AMPLIFIER.html
Print this Page | Comments | Reading(3)
Code: