Published:2009/7/8 23:38:00 Author:May | From:SeekIC

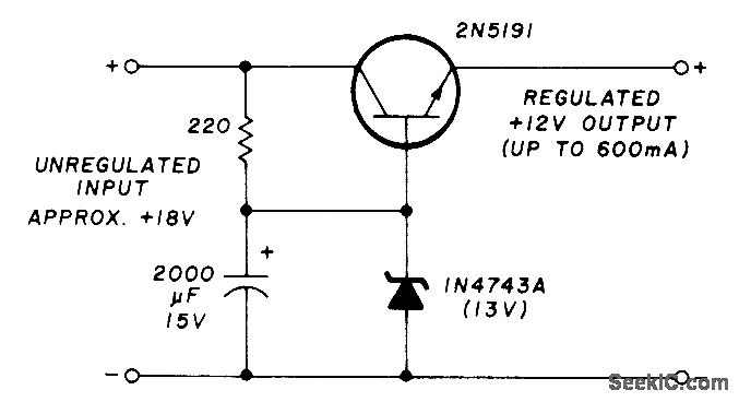
Baseemitter voltageis more orless constant withoutuse offeedback because baseis held at constant voltage by zener diode Ripple at base is reduced by RC filter.-H,Olson Power-Supply Servicing Ham Radio, Nov 1976、p44-50
Reprinted Url Of This Article:
http://www.seekic.com/circuit_diagram/Amplifier_Circuit/+12_V_SERIES_EMITTER_FOLLOWER.html
Print this Page | Comments | Reading(3)
Code: