Published:2009/7/6 2:07:00 Author:May | From:SeekIC

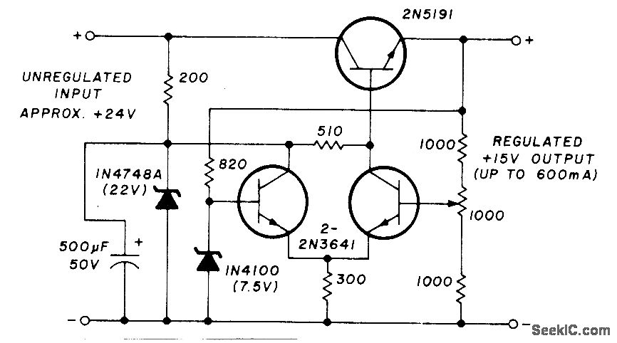
Series regulator uses differential amplifiel as controlcircuit in which one side is referenced to zener and other to fraction of output voltage Second zener provides coarse regulated voltage to differential pair.-H.Olson、Power-Supply Servicing Ham Radio,Nov.1976、p44-50
Reprinted Url Of This Article:
http://www.seekic.com/circuit_diagram/Amplifier_Circuit/+15_V_WITH_DIFFERENTIAL_AMPLIFIER.html
Print this Page | Comments | Reading(3)
Code: