Published:2009/7/10 5:23:00 Author:May | From:SeekIC

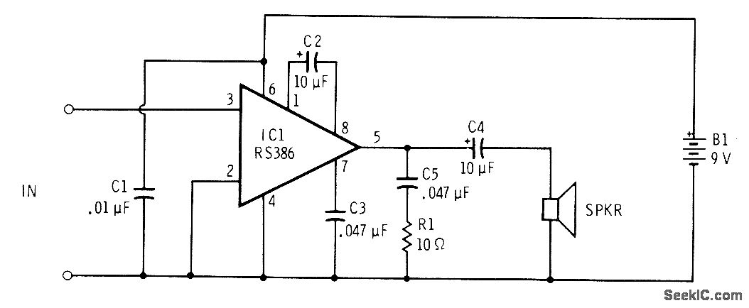
Single Radio Shack RS386 IC powered by 6-9 V from battery provides gain of about 200 with sufficient power to drive 8-ohm loudspeaker when speaking closely into small dynamic microphone of type used with portable tape recorders.-F. M. Mints, Integrated Circuit Projects, Vol. 2, Radio Shack, Fort Worth, TX, 1977, 2nd Ed., p 87-95.
Reprinted Url Of This Article:
http://www.seekic.com/circuit_diagram/Amplifier_Circuit/025_W_AMPLIFIER.html
Print this Page | Comments | Reading(3)
Code: