Published:2009/7/20 2:22:00 Author:Jessie | From:SeekIC

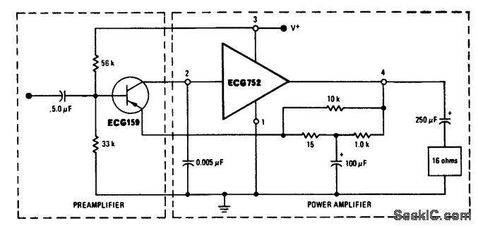
0.25-watt AF amplifier using a 16-ohm speaker. Supply voltage should be approximately 12 volts (courtesy GTE Sylvania Incorporated).
Reprinted Url Of This Article:
http://www.seekic.com/circuit_diagram/Amplifier_Circuit/025_watt_AF_amplifier_using_a_16_ohm_speaker.html
Print this Page | Comments | Reading(3)
Code: