Published:2009/7/20 2:41:00 Author:Jessie | From:SeekIC

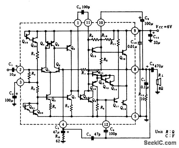
0.5-watt OTL audio power amplifier using an ECG1031. Typical voltage gain at 1 kHz is 50 dB. Input impedance is 20K (courtesy GTE Sylvania).
Reprinted Url Of This Article:
http://www.seekic.com/circuit_diagram/Amplifier_Circuit/05_watt_OTL_audio_power_amplifier_using_an_ECG1031.html
Print this Page | Comments | Reading(3)
Code: