Published:2009/7/20 5:03:00 Author:Jessie | From:SeekIC

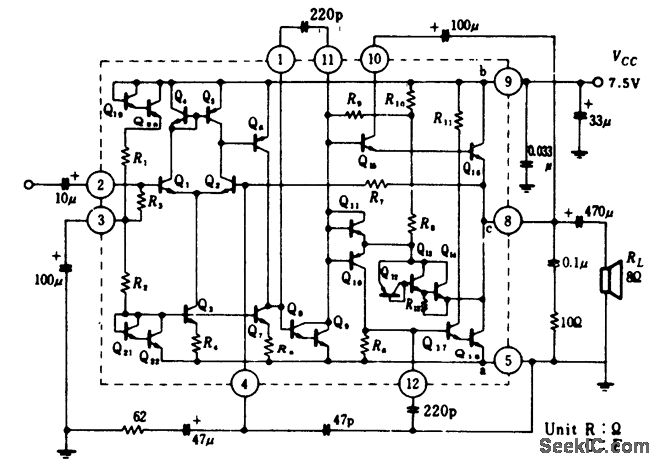
0.7-watt audio power amplifier using an ECG1036. Typical voltage gain at 1 kHz is 50 dB. Input impedance is 20K. Frequency response is from 50 hertz to 100 kilohertz (courtesy GTE Sylvania).
Reprinted Url Of This Article:
http://www.seekic.com/circuit_diagram/Amplifier_Circuit/07_watt_audio_power_amplifier_using_an_ECG1036.html
Print this Page | Comments | Reading(3)
Code: