Published:2011/3/29 3:57:00 Author:Rebekka | Keyword: 100μs delay line | From:SeekIC

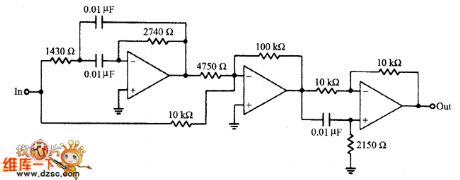
100μs delay line circuit diagramis shown as below.
Reprinted Url Of This Article:
http://www.seekic.com/circuit_diagram/Amplifier_Circuit/100μs_delay_line_circuit_diagram.html
Print this Page | Comments | Reading(3)
Code: