Published:2013/3/13 2:16:00 Author:Ecco | Keyword: 100W , 420-450Mhz, PUSH-PULL LINIER AMPLIFIER | From:SeekIC

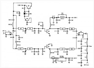
This is 100 watt linear amplifier and may be built using two MRF309 transistors in push-pull, requiring only 16 watts drive from 420 to 450 MHz.
The 100 watt linear amplifier operating from a 28 volt supply, 8 dB of power gain is achieved along with excellent practical performance featuring: maximum input SWR of 2:1, harmonic suppression more than-63 dB below 100 watts output, efficiency greater than 40%, circuit stability with a 3:1 collector mismatch at all phase angles.
Reprinted Url Of This Article:
http://www.seekic.com/circuit_diagram/Amplifier_Circuit/100W_PEP_420_450Mhz_PUSH_PULL_LINIER_AMPLIFIER.html
Print this Page | Comments | Reading(3)
Code: