Published:2009/7/13 4:08:00 Author:May | From:SeekIC

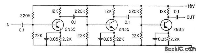
Used in distortion monitor to drive indicating vtvm.-G. H. Smith, Distortion Monitor Checks Linear Amplifier Characteristics, Electronics, 34:27, p 57-59.
Reprinted Url Of This Article:
http://www.seekic.com/circuit_diagram/Amplifier_Circuit/100_DB_AMPLIFIER.html
Print this Page | Comments | Reading(3)
Code: