Published:2009/6/29 4:18:00 Author:May | From:SeekIC


Reprinted Url Of This Article:
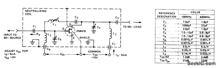
http://www.seekic.com/circuit_diagram/Amplifier_Circuit/100_MHz_AND_400_MHz_NEUTRALIZED_COMMON_SOURCE_AMPLIFIER.html
Print this Page | Comments | Reading(3)
Code: