Published:2009/6/19 4:09:00 Author:May | From:SeekIC

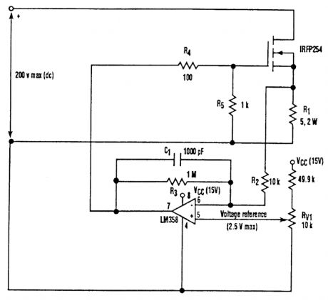
Variable resistive loads with precise load steps often are required in automatic testers used to test and calibrate power supplies. The action of a high-power(100 W)variable resistor can be simu-lated with the circuit shown.The voltage drop across R1, which is proportional to the FET current, is compared against a vari-able input voltage reference using a high-gain op amp. Error voltage developed by the amplifier drives the gate, controlling the transconductance of the FET.Power dissipation is limited by the safe-operating-area curve of the selected FET. The FET should be mounted onto a properly sized heatsink or a heatsink-fan combination to maintain its case temperature within safe limits. The circuit is designed to dissipate a ntaximum power of 100Wif the FET-case temperature is maintained below 50℃. The potentiometer (RV1) can be replaced by a dig-ital-to-analog converter so that it can adapt to the computer control for use in automatic testers.
Reprinted Url Of This Article:
http://www.seekic.com/circuit_diagram/Amplifier_Circuit/100_W_VARIABLE_RESISTOR_SIMULATOR.html
Print this Page | Comments | Reading(3)
Code: