Published:2012/10/12 22:24:00 Author:muriel | Keyword: 10-14W, Class A amplifier | From:SeekIC

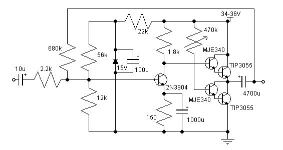
I have built this amplifier and it does sound good. It requires a preamp as it hasn't got much gain. It requires big heat sinks and a large transformer and a great power supply and careful wiring, but in the end it is extremely simple and it sounds very good. The zener diode rejects any ripple coming from the power supply, But you still only want a ripple of 10mV max. The ripple reaching the input is amplified, so the zener gets rid of that, but whatever ripple there is will still reach the power stage.
Reprinted Url Of This Article:
http://www.seekic.com/circuit_diagram/Amplifier_Circuit/10_14W_Class_A_amplifier.html
Print this Page | Comments | Reading(3)
Code: