Published:2009/7/21 6:20:00 Author:Jessie | From:SeekIC

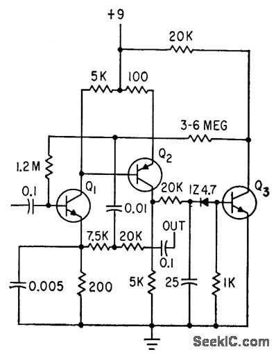
Input impedance is over 1 meg. Can be used in microphone case to raise power level of signal above that of interference. Both positive and negative feedback are used. Q1 and Q3 are 2N1086A, and Q2 is 2N414.-J. J. Tiemann, Transistor Amplifier with Adjustable Impedance and Gain, Electronics, 35:15, p 68-69.
Reprinted Url Of This Article:
http://www.seekic.com/circuit_diagram/Amplifier_Circuit/10_CPS_TO_100_KG_BANDPASS.html
Print this Page | Comments | Reading(3)
Code: