Published:2009/7/12 23:12:00 Author:May | From:SeekIC

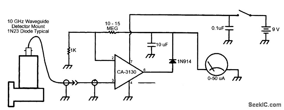
This wavemeter amplifier is connected to the microwave waveguide detector. This circuit operates from a single 9-V transistor radio battery for simplicity.
Reprinted Url Of This Article:
http://www.seekic.com/circuit_diagram/Amplifier_Circuit/10_GHz_WAVEMETER_AMPLIFIER.html
Print this Page | Comments | Reading(3)
Code: