Published:2009/7/23 21:15:00 Author:Jessie | From:SeekIC

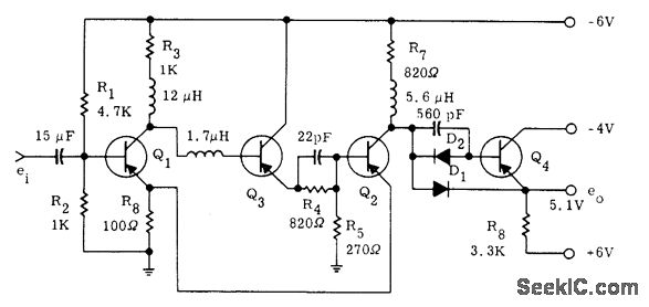
Will operate as square wave generator in range of 100 cps to 10 Mc, using 2N695, 2N705, or 2N711 mesa transistors.-P. A. Mclnnis, Low-Cost Computer Circuits, Motorola Application Note AN-130, Nov. 1965.
Reprinted Url Of This Article:
http://www.seekic.com/circuit_diagram/Amplifier_Circuit/10_MC_SCHMITT.html
Print this Page | Comments | Reading(3)
Code: