Published:2009/6/15 22:04:00 Author:May | From:SeekIC

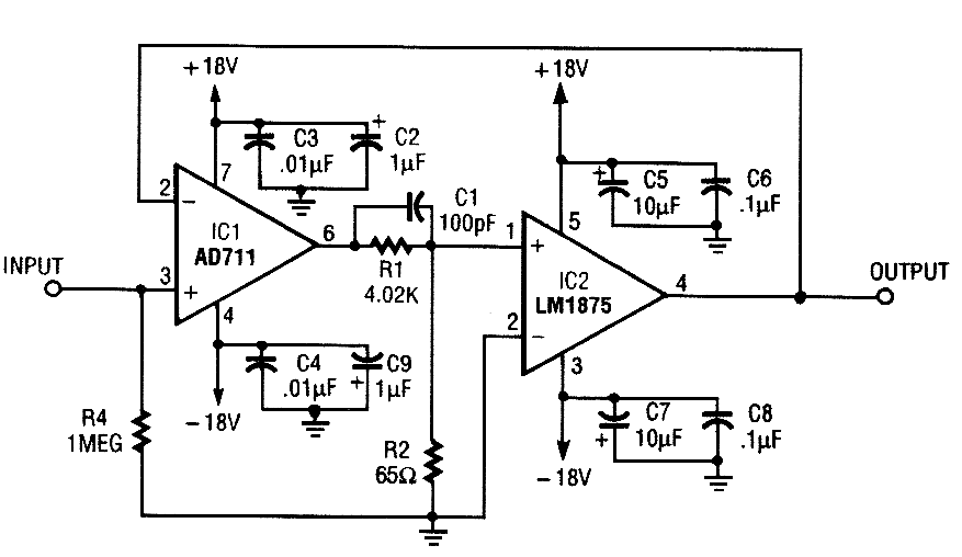
Using an LM1875,a 10-W amplifier can bebuild using just two IC devices The gam=R4/R3. Note that IC12 must be heatsinked
Reprinted Url Of This Article:
http://www.seekic.com/circuit_diagram/Amplifier_Circuit/10_W_INVERTING_COMPOSITE_AMPLIFIER.html
Print this Page | Comments | Reading(3)
Code: