Published:2009/7/8 3:44:00 Author:May | From:SeekIC

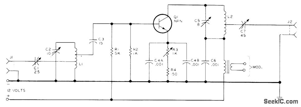
General-purpose amplifier can be used around 120 MHz as microwave IF strip and up to 144 MHz for RF. Transistor type is not critical.-B. Hoisington, DC lsolation, 73 Magazine,Peterborough NH 03458,July 1974,p 55-62.
Reprinted Url Of This Article:
http://www.seekic.com/circuit_diagram/Amplifier_Circuit/120_144_MHz.html
Print this Page | Comments | Reading(3)
Code: