Published:2011/6/19 1:14:00 Author:Seven | Keyword: Shigeto, pre-amplifier circuit | From:SeekIC

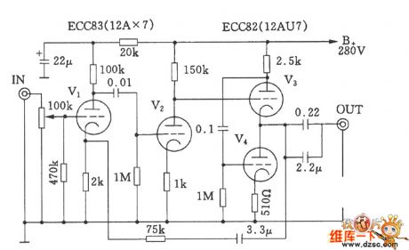
12AX7--the Shigeto tube pre-amplifier circuit is shown in the figure.
Reprinted Url Of This Article:
http://www.seekic.com/circuit_diagram/Amplifier_Circuit/12AX7__the_Shigeto_tube_pre_amplifier_circuit.html
Print this Page | Comments | Reading(3)
Code: