Published:2009/7/14 23:59:00 Author:Jessie | From:SeekIC

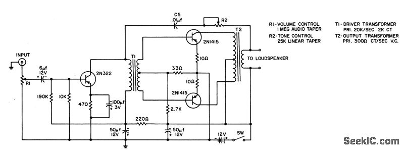
Input sensitivity is 10 to 20 mv for 0.5 w output. Maximum power output at 10% harmonic distortion is 500 mw. Design calculations are given.- Transistor Manual, Seventh Edition, General Electric Co., 1964, p 246.
Reprinted Url Of This Article:
http://www.seekic.com/circuit_diagram/Amplifier_Circuit/12_V_AUDIO_AMPLIFIER.html
Print this Page | Comments | Reading(3)
Code: