Published:2009/6/24 23:32:00 Author:May | From:SeekIC

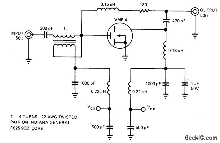
Circuit uses Siliconix VMP-4power MOSFET to provide 11-dB gain with 26-V supply、or 14 dB with 36-V supply,Broadband design permits operation over wide range of frequencies up to as high as 600 MHz.-RF Power MOSFET Outputs 13 W at 160 MHz wih High Gain、No Breakdown、EDNMagazine.June 20,1976、p 144-145
Reprinted Url Of This Article:
http://www.seekic.com/circuit_diagram/Amplifier_Circuit/13_W_at_16O_MHz.html
Print this Page | Comments | Reading(3)
Code: