Published:2013/3/18 1:02:00 Author:Ecco | Keyword: 144MHz , Power Amplifier | From:SeekIC

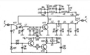
The 144 MHz Power amplifier is designed to work with the transceiver 2-meter band. Power output depends on the output transistor: KT 904 – 4 to 5 watts, KT 907 – 7 to 8 watts, 2N3375 – from 7 to 10 watts, 2N3632 – from 8 to 12 watts.
The transition from reception to transmission by VOX-switch, made by transistors VT2/VT3 (KT315). Kodensator Cl – 0,5-2,2 pF, establishes a reliable operation of the relay Kl.
Inductors L6 – L8 made wire of 0.4 mm, L6/L7 -6 turns, L8 – 100 turns. High-frequency coil wound around a silver-plated wire of 0.8 mm: Ll – 2 turns, the frame – 8 mm, the winding length of 11 mm; L2/L3 – 4 turns, the frame – 6.8 mm, the winding length of 10 mm; L4/L5 – 5 turns, the frame – 5.2 mm, the winding length of 12 mm.Output impedance 75 ohms cascade. Capacitor C4 provides from 33 to 180 pF.
Reprinted Url Of This Article:
http://www.seekic.com/circuit_diagram/Amplifier_Circuit/144MHz_Power_Amplifier_Circuit.html
Print this Page | Comments | Reading(3)
Code: