Published:2009/7/24 3:03:00 Author:Jessie | From:SeekIC


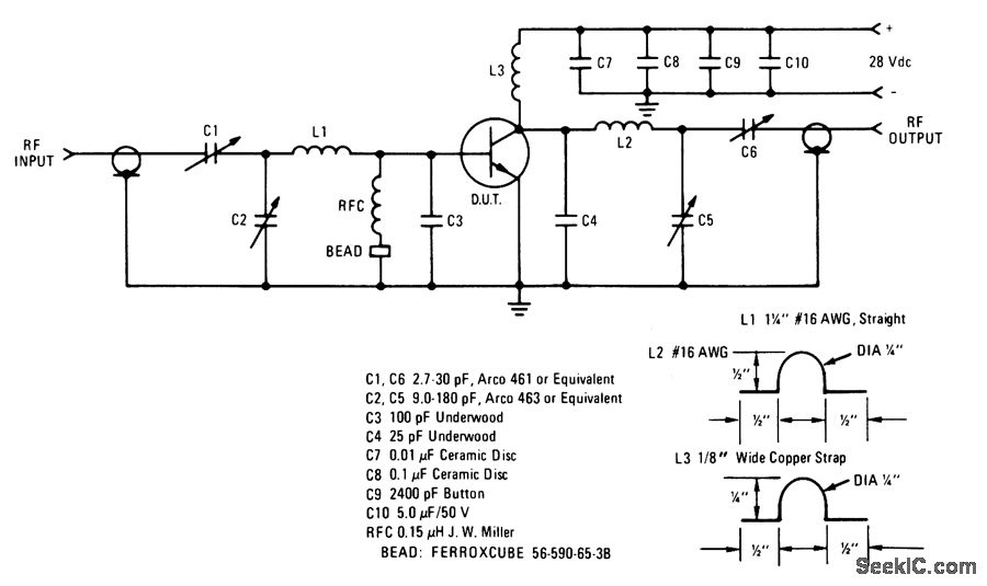
The electrical characteristics for the 2N6166 shown in this circuit are givenin Fig. 2-38B.
Reprinted Url Of This Article:
http://www.seekic.com/circuit_diagram/Amplifier_Circuit/150_MHz_100_W_amplifier_28_V_supply.html
Print this Page | Comments | Reading(3)
Code: