Published:2009/7/24 3:45:00 Author:Jessie | From:SeekIC

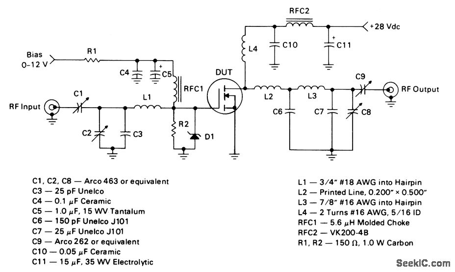
The electrical characteristics for the MRF140 shown in this circuit are given in Fig.2-52B.
Reprinted Url Of This Article:
http://www.seekic.com/circuit_diagram/Amplifier_Circuit/150_MHz_150_W_PEP_MOS_amplifier_28_V_supply.html
Print this Page | Comments | Reading(3)
Code: