Published:2009/7/24 3:36:00 Author:Jessie | From:SeekIC



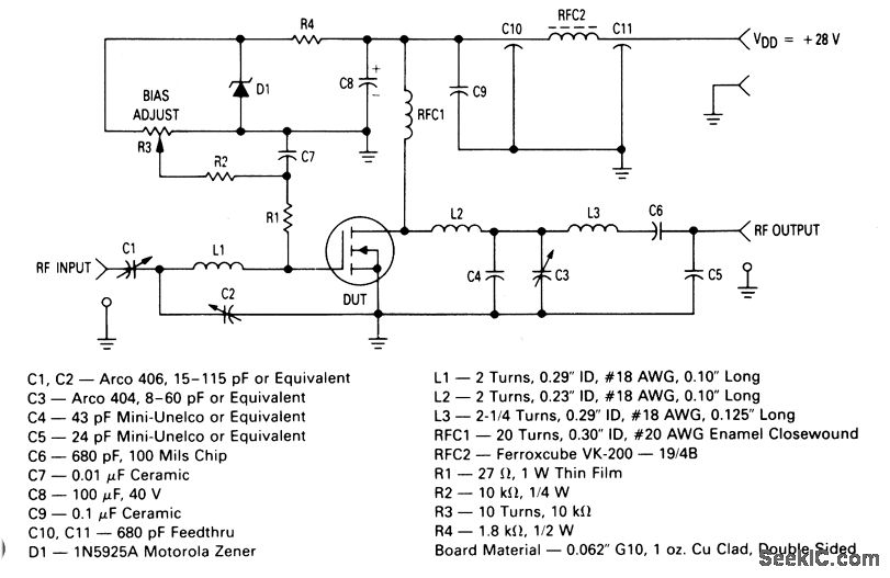
The electrical characteristics for the MRF136 shown in this circuit are given in Fig. 2-48B.
Reprinted Url Of This Article:
http://www.seekic.com/circuit_diagram/Amplifier_Circuit/150_MHz_15_W_MOS_amplifier_28_V_supply.html
Print this Page | Comments | Reading(3)
Code: