Published:2009/7/23 22:58:00 Author:Jessie | From:SeekIC


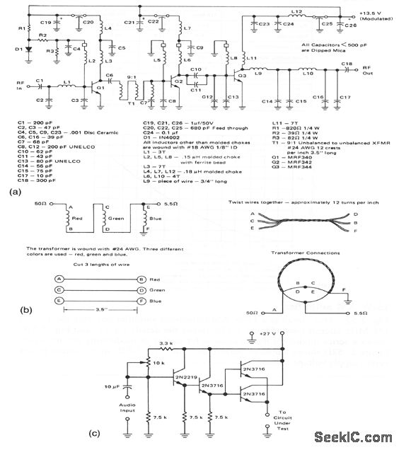
This circuit is a 15-W AM broadband amplifier covering the 118- to 136-MHz aircraft band. Figure 2-52B shows the details for T1, and Fig. 2-52C shows a series modulator that is suitable for testing or modulating the amplifier.Figure 2-52D shows amplifier performance and Fig. 2-52E shows output power versus supply voltage.
Reprinted Url Of This Article:
http://www.seekic.com/circuit_diagram/Amplifier_Circuit/15_W_AM_amplifier.html
Print this Page | Comments | Reading(3)
Code: