Published:2009/7/14 3:28:00 Author:May | From:SeekIC

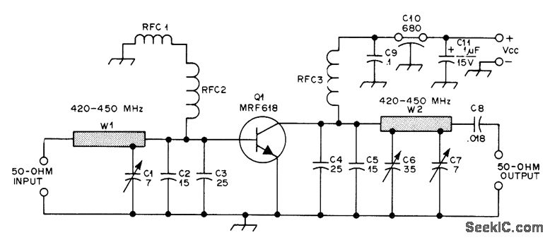
Power gain of 10 dB increases effective range of amateur transmitter. Narrow-band amplifier using Motorola MRF618 internally matched 12.5-V controlled-a transistor can be tuned from 430 to 450 MHz. Multiple L sections using 50-ohm microstrip line and mica compression variable capacitors provide input-match and collector-load transformations. Article gives printed-circuit board layout for U-shaped 0.112-inch-wide stripline inductors W1 and W2. RFC1 is ferrite bead, RFC2 is 8 turns No. 22 enamel closewound on 1/8-inch form, and RFC3 is 4 turns No. 22 enamel closewound on 1/4-inch form.-R. Olsen, Build This Solid-State PA for 440 MHz, QST, Feb. 1977, p 37-38.
Reprinted Url Of This Article:
http://www.seekic.com/circuit_diagram/Amplifier_Circuit/15_W_POWER_AMPLIFIER_FOR_440_MHz.html
Print this Page | Comments | Reading(3)
Code: