Published:2013/3/13 2:12:00 Author:Ecco | Keyword: 160 W, PEP, Broadband Linier Amplifier | From:SeekIC

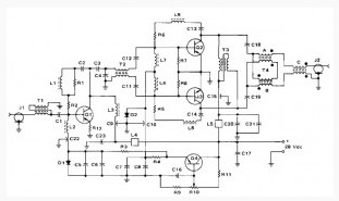
Thisisanothercircuit RF amplifierthat I tookfrom theEncyclopedia ofelectroniccircuitVolumeI. The circuit is quite hard to build since the components is complex and need more attention for the Inductors,
Reprinted Url Of This Article:
http://www.seekic.com/circuit_diagram/Amplifier_Circuit/160_W_PEP_Broadband_Linier_Amplifier.html
Print this Page | Comments | Reading(3)
Code: