Published:2009/6/19 1:45:00 Author:May | From:SeekIC

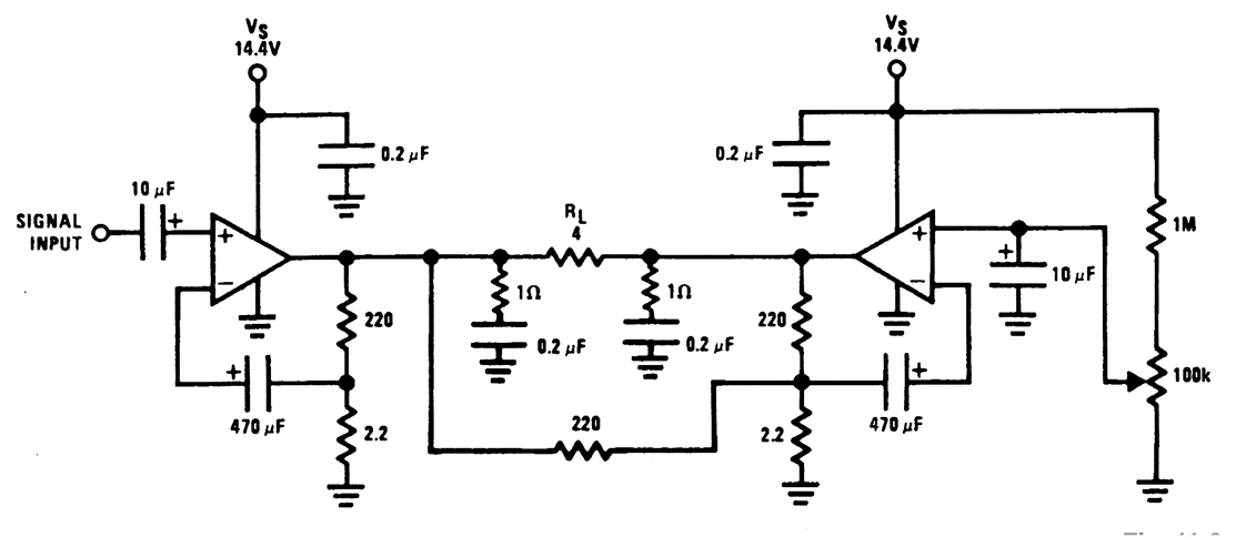
This circuit delivers 16 W RMS audio into a 4-Ωload (RL). The ICs are LM383s.
Reprinted Url Of This Article:
http://www.seekic.com/circuit_diagram/Amplifier_Circuit/16_W_BRIDGE_AMPLIFIER.html
Print this Page | Comments | Reading(3)
Code: