Published:2009/7/10 5:28:00 Author:May | From:SeekIC

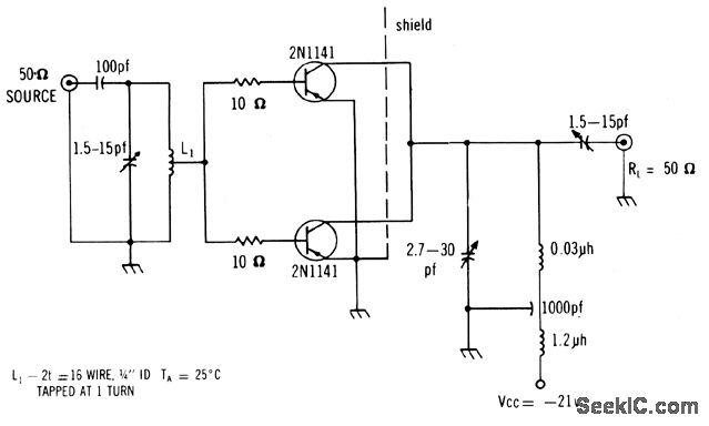
Uses two 2N-1141's in parttllel to deliver average of 400 mw, with power gain of 11.5 db and collector efficiency of 42%. Has excellent large signal performance.-Texas Instruments Inc., Solid-State Communications, McGraw.Hill, N.Y., 1966, p 320.
Reprinted Url Of This Article:
http://www.seekic.com/circuit_diagram/Amplifier_Circuit/173_MC_POWER_AMPLIFIER.html
Print this Page | Comments | Reading(3)
Code: