Published:2009/7/24 3:01:00 Author:Jessie | From:SeekIC


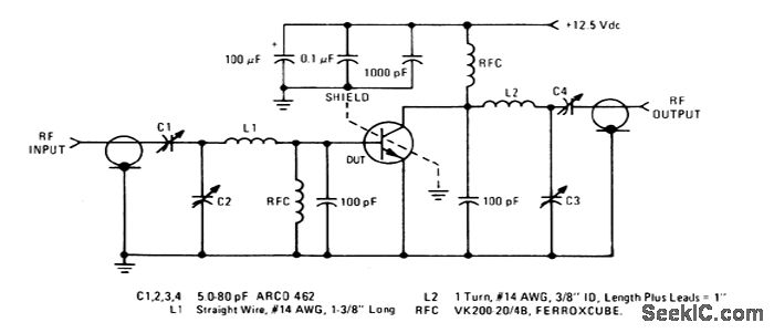
The electrical characteristics for the 2N6083 shown in this circuit are given in Fig.2-37B.
Reprinted Url Of This Article:
http://www.seekic.com/circuit_diagram/Amplifier_Circuit/175_MHz_40_W_amplifier_125_V_supply.html
Print this Page | Comments | Reading(3)
Code: