Published:2011/3/23 4:49:00 Author:may | Keyword: superhigh frequency power amplifier | From:SeekIC

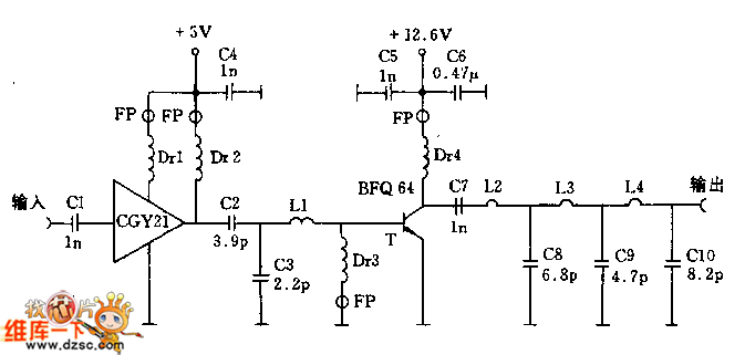
1W superhigh frequency power amplifier circuit is shown in the following diagram:
Reprinted Url Of This Article:
http://www.seekic.com/circuit_diagram/Amplifier_Circuit/1W_superhigh_frequency_power_amplifier_circuit.html
Print this Page | Comments | Reading(3)
Code: