Published:2009/7/23 22:21:00 Author:Jessie | From:SeekIC

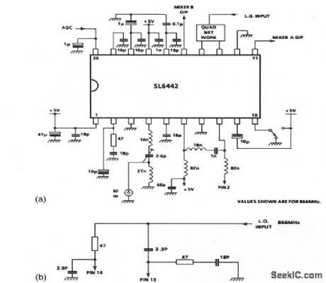
This circuit shows an SL6442 used as an amplifier/mixer suitable for cordless or cellular telephones, pagers, and any low-power receiver operating at frequencies up to 1GHz. The SL6442 contains a low-noise amplifier with AGC and two mixers for use in I and Q direct-conversion receivers or image-canceling in superhet receivers, with a single 5-V supply at a typical current of 4 mA. In this circuit, the local-oscillator signal is applied through a quad network (Fig. 2-33B).RF is applied at pin 4, AGC at pin 20, and mixer outputs are taken from pins 11 and 15.
Reprinted Url Of This Article:
http://www.seekic.com/circuit_diagram/Amplifier_Circuit/1_GHz_amplifier_mixer.html
Print this Page | Comments | Reading(3)
Code: