Published:2009/6/29 3:11:00 Author:May | From:SeekIC

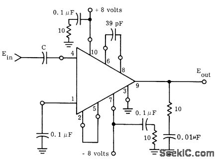
Uses Motorola MC1554 power amplifier to provide voltage gain of 35 with componentsshown. Output voltageswing is 12 V P-P into 12-ohm load. For responsedown to low audio frequencies (below 100 Hz), large value of C is required, such as 1μF. Input can be direct-coupled at sacrifice in output offset, but this can be corrected by properly biasing pin 1 or terminating it in about 250 ohms. Upper fre-quency limit for -3 dB is about 22,000 Hz.-' The MC1554 One-Watt Monolithic Integrated Circuit Power Amplifier, Motorola, Phoenix, AZ, 1972, AN.401, p 3.
Reprinted Url Of This Article:
http://www.seekic.com/circuit_diagram/Amplifier_Circuit/1_W_INVERTING.html
Print this Page | Comments | Reading(3)
Code: