Published:2009/7/20 2:48:00 Author:Jessie | From:SeekIC

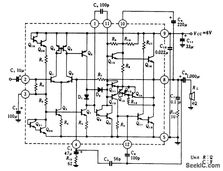
1-watt OTL audio power amplifier using an ECG1032. Typical voltage gain at 1 kHz is 50 dB (courtesy GTE Sylvania Incorporated).
Reprinted Url Of This Article:
http://www.seekic.com/circuit_diagram/Amplifier_Circuit/1_watt_OTL_audio_power_amplifier_using_an_ECG1032.html
Print this Page | Comments | Reading(3)
Code: